Hard and soft water
Hard and soft water
Hard water is water that contains dissolved chalk, lime and other minerals.
Rainwater is naturally soft but, as it percolates through the ground, any chalk and limestone it passes through becomes dissolved to create hard water.
Soft water (natural) is rain that falls onto rock and cannot enter the ground.
Examples of this are areas such as Wales, Scotland and The Lake District etc. As a guide only 40% of the country has natural soft water, leaving the remaining 60% to suffer with hard water.
Soft water benefits
- Saves time. With no scum marks or evaporation stains to clean away, housework is reduced.
- Can save up to 50% of washing powder, soaps, shampoos and conditioners etc.
- Will protect your and increase the life of your system by removing existing scale.
- Saves money on hot water bills – with no scale to heat first. Just 1/16″of scale will cause a loss of efficiency of 12%.
- Rinses away without staining.
- Can help dry skin conditions including eczema
- Makes laundry brighter and fresher.
- Has a clean silky feeling, and makes bathing a luxury without the need for expensive bath oils etc.
The gentle touch of soft water
There is no clearer benefit of soft water than that shown by a dishwasher with soft water. Shiny dishes and plates, clean clear glasses and cutlery you are proud of, all come from soft water. If soft water is doing this to your dishwasher, just imagine what it is doing in the rest of your system, and do not forget, that with your dishwasher using soft water, you do not need to put anymore salt in it.
This also applies if you prefer to wash by hand. Gone are dry cracked hands you get with hard water.
Clean, bright clothes, gentle on your skin, every time with soft water.
Soft water gives you cleaner, brighter, fresher fabrics, simply because your washing powder can concentrate on washing your clothes, not fighting the effects of hard water every time. Remember that with soft water flowing through your washing machine and de-scaling it, it will work better and last longer!
With soft water, you can cut your soap powder by nearly half, which proves that soft water saves you money.
For mum …
Smooth complexion, bubbles in the bath, lower household bills, soft towels
For dad …
A smooth wet shave. And with the appliances running like never before, he hasn’t got to worry about the next repair bill.
And the children too …
Lovely fresh soft clothes ensure their delicate skin is being cared for, all day every day, even when they are tucked up in bed in those crisp clean sheets.
How much does a water softener cost?
The cost will be less than other home improvements and will be considered an investment. The average payback time for a water softener is less than 4 years and with the softener lasting upto 20 years, no other home improvement can compete with such value for money.
A family of 4 in an average hard water area can save over £200 a year! Compare these savings against the outlay of the softener, and you will see that it is arguably the most cost effective home improvement you can make.
How can I justify my investment?
Most people who have a water softener would simply say that to wash and bathe in scum free water is enough. However, a water softener fulfils many functions and gives substantial savings.
The long term benefits are the increased life of appliances, protection of taps, bathroom suites, your boiler etc, not to forget the daily savings on household bills by reducing soap consumption to name just one by up to 50%
What about maintenance?
A water softener is working automatically 24 hours a day. All the homeowner has to do is ensure that the unit is kept full of salt.
If i move house can I take it with me?
The simple answer to that is yes.
Taking your water softener with you when you move is as easy as taking other appliances i.e. washing machine.
Simply disconnect the hoses from the isolating valves and away you go.
In many cases a water softener has been known to assist in the sale of the house, prospective buyers will undoubtedly be impressed with scale free taps, gleaming baths and sinks etc.
Why not soften just the hot water?
Some people do this. But as soon as they run cold hard water into the hot soft water they are reducing the obvious benefits of soft water considerably.
I have lead pipes, is this a problem?
You should not use soft water in lead pipes. About the only benefit of hard water there is, is that scale on the inside of the lead pipe stops the lead leaching into the water. Grants may be available from the local council to replace any lead pipes in the house.
If you have a lead outside main, this will not pose a problem to the installation of a softener.
Will soft water affect my central heating system?
Soft water will have no adverse effect on your heating system, providing a corrosion inhibitor is used. We recommend Sentinel X100.
Must I have a hard water tap?
Yes. It is accepted that the majority of people can drink artificially softened water with no adverse effect.
However, there are two groups of people who we would recommend do not drink artificially softened water.
Namely, bottle fed babies (powdered milk already has its maximum concentration of sodium) and anybody on a low sodium diet.
The BEWA Code of Practice also requires that, for all new water softener installations and wherever else reasonably practicable, a pipe leading to a mains water tap for an un-softened supply should be used for a hard water drinking supply.
Will those who prefer to drink soft water be deprived of any minerals deemed necessary for good health?
No. The minerals necessary towards your daily diet come from your food.
Neither hard nor softened water provide any significant quantity of minerals. For example, a glass of milk contains 4 times the amount of calcium, compared to a glass of water! ~
How much sodium is there in soft water?
A normal daily intake of sodium for an adult is approx. 2,400 mg.
Many natural and manufactured foods and drinks contribute to this daily intake. As a guide, you would need to drink 60 glasses of softened water to achieve your daily intake
Food for thought
There is 4 times the amount of sodium in a glass of milk than there is in a glass of soft water.
Hard water tap
There are 3 ways of having a hard water tap in your home…
You can leave the existing cold tap on your sink on hard water.
You can have a dedicated and new hard water tap fitted similar to Pic1 below with optional water filter. Or you can have the Multiflo 3 way tap fitted (Pic2) to give you Hot, Cold and Hard (filtered) water all from the same tap. The Multiflo Hard (filtered) water supply comes from an under sink water filter (supplied) to not only give you lovely soft water from your water softener, but high quality filtered hard water through your Multiflo too.
Will soft water help my dry skin?
It is difficult to say that it will definitely cure dry skin conditions.
However, many dry skin / eczema sufferers notice a considerable improvement in their condition once a water softener is installed. Due to the complexity of eczema it is difficult to say exactly why soft water helps. http://news.bbc.co.uk/1/hi/health/7820081.stm
Opinion suggests the following contributing factors:
Water softeners eliminate scummy soap curds and
produce a clean lather that is kind to skin, reducing dryness and itching allowing you to rinse clean every time.
The amount of washing powder can be reduced by up to 50% when using soft water, therefore when the washing machine is in the rinse cycle; it finds it easier to wash away excess soap that block the pores of your skin.
Is a water softener easy to install?
Modern water softeners are small and compact enough to fit inside either a kitchen unit or in the utility room. Monarch’s top selling Midi water softener has been designed to fit inside any kitchen cupboard, and with it being 63mm shorter than its competitor it is not difficult to see why the Midi is chosen by more people than any other softener!
An ideal site is near to the rising main, with access to a drain and a power supply (13 amp socket)
Why do I need electricity?
This ensures that the softener regenerates at the correct time of day. Even meter control models regenerate at 2am; the only variance is the frequency of days between regeneration as determined by your water consumption.
Does a water softener need a specific water pressure?
A water softener needs a minimum dynamic pressure of 20 psi (1.4bar). If water pressure exceeds 70 psi (5bar) then a water pressure limiter needs to be fitted – ref PLV
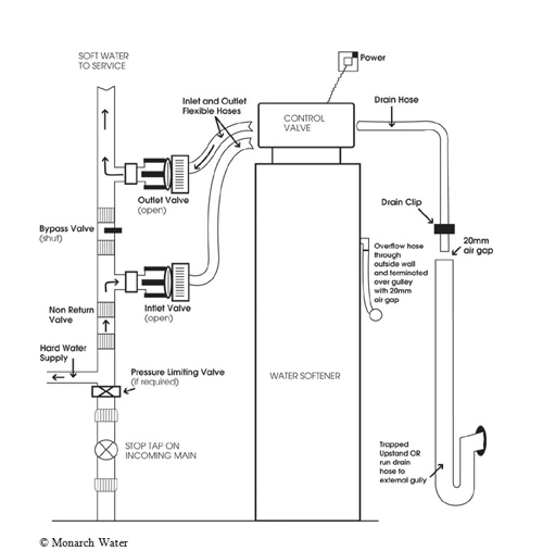
Will the installation comply with local byelaws?
Providing the installation complies with the diagram you will be O.K.
Can a water softener drain into a septic tank?
Yes. Regeneration wastewater from a water softener will have no adverse effect on a septic tank. With up to 50% less detergents etc being discharged, a water softener is in fact beneficial to households who use septic tanks.
Contributes to the environment
Besides the obvious benefits to the environment of reducing soap powders, cleaning agents etc by up to 50%, extensive research has shown that every water softener installed reduces CO2 emissions to the same level as leaving your car at home for a whole year!
Please feel free to call our office where one of our friendly and helpful office staff are waiting to take your call, or alternatively follow our link if you would like to have someone call you or visit your home to discuss a few options.



